電話:021-62522001
作者:NIPPON CHEMI-CON 發布時間:2020-07-31 14:58:38 訪問量:6887 來源:黑金剛電容
黑金剛電容貼片型導電性高分子混合型鋁電解電容器 HXJ系列介紹
●通過采用混合型電解質,提升了可靠性。
●保證125℃ 4,000小時 (疊加紋波電流)。
●額定電壓范圍:16~63Vdc、靜電容量范圍:56~820 μF。
●最適合用于高溫?高可靠性用途 (例如汽車電子零部件、通信基站電源等)。
●無鹵對應品。
●符合AEC-Q200。詳情請另行咨詢。
◆規格表

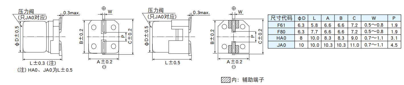
◆尺寸圖[mm]
●端子代碼 :A ●端子代碼 :G (耐振構造)
●尺寸代碼:F61~JA0 ● 尺寸代碼:HA0~JA0 (帶輔助端子)

◆產品型號體系

產品型號代碼的詳細介紹請參考「產品型號的表示方法 (導電性高分子混合型)」。
◆標示
標示例 35V330μF

●額定電壓的產品標示

◆標準品一覽表

□內為端子代碼。
◆額定紋波電流頻率修正系數
紋波頻率與標準品一覽表的規定值相異時、請使用小于乘以下表系數所得之值的值。
●頻率修正系數

相關資訊推薦:
聲明:本文由櫻拓貿易收集整理關于 黑金剛電容相關的《黑金剛電容貼片型導電性高分子混合型鋁電解電容器 HXJ系列介紹》,如轉載請保留鏈接:http://www.bnjn.com.cn/news_in/574。